

· 용량 : 5 -300 ton
· 스트로크 : 50-250 mm
· 최대압력 : 700 bar
· 단동식 & 스프링 리턴 타입
· 커플러 포트 : PT 3/8
· 완전한 힘을 유지하도록 설계된 칼라
· 부식에 강한 피스톤 적용
· 견고한 플런저 및 새들 적용
· 틸팅 새들 적용 가능(옵션)
· 핸들 적용 가능(옵션)
· 기타 사이즈 제작 가능


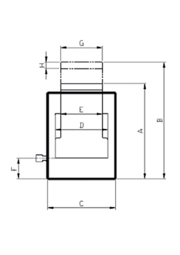
| 모델 번호 | 용량 (ton) | 스트로크 (mm) | 오일 용량 (cc) | 유효 면적 (cm2) |
기본 높이 A (mm) |
연장 높이 B (mm) |
외경 C (mm) | 내경 D (mm) | 로드직경 E (mm) |
포트~바닥면 F (mm) |
새들 직경 G (mm) |
새들 높이 H (mm) |
무게 (kg) |
|---|---|---|---|---|---|---|---|---|---|---|---|---|---|
| ESR-550 | 5 | 50 | 36 | 7.1 | 144 | 194 | 50 | 30 | 23 | 20 | 34 | 15 | 1.4 |
| ESR-5100 | 5 | 100 | 71 | 7.1 | 194 | 294 | 50 | 30 | 23 | 20 | 34 | 15 | 2.1 |
| ESR-5150 | 5 | 150 | 107 | 7.1 | 244 | 394 | 50 | 30 | 23 | 20 | 34 | 15 | 2.7 |
| ESR-1050 | 10 | 50 | 80 | 15.9 | 147 | 197 | 63 | 45 | 38 | 20 | 49 | 15 | 3.2 |
| ESR-10100 | 10 | 100 | 159 | 15.9 | 197 | 297 | 63 | 45 | 38 | 20 | 49 | 15 | 3.8 |
| ESR-10150 | 10 | 150 | 239 | 15.9 | 247 | 397 | 63 | 45 | 38 | 20 | 49 | 15 | 4.5 |
| ESR-10200 | 10 | 200 | 318 | 15.9 | 297 | 497 | 63 | 45 | 38 | 20 | 49 | 15 | 5.1 |
| ESR-2050 | 20 | 50 | 166 | 33.2 | 150 | 200 | 88 | 65 | 58 | 20 | 68 | 15 | 5.7 |
| ESR-20100 | 20 | 100 | 332 | 33.2 | 222 | 322 | 88 | 65 | 58 | 30 | 68 | 15 | 8.4 |
| ESR-20150 | 20 | 150 | 498 | 33.2 | 272 | 422 | 88 | 65 | 58 | 30 | 68 | 15 | 11.3 |
| ESR-20200 | 20 | 200 | 664 | 33.2 | 322 | 522 | 88 | 65 | 58 | 30 | 68 | 15 | 14.2 |
| ESR-3050 | 30 | 50 | 221 | 44.2 | 172 | 222 | 106 | 75 | 68 | 30 | 78 | 15 | 8 |
| ESR-30100 | 30 | 100 | 442 | 44.2 | 222 | 322 | 106 | 75 | 68 | 30 | 78 | 15 | 11.8 |
| ESR-30150 | 30 | 150 | 663 | 44.2 | 272 | 422 | 106 | 75 | 68 | 30 | 78 | 15 | 15.6 |
| ESR-30200 | 30 | 200 | 884 | 44.2 | 322 | 522 | 106 | 75 | 68 | 30 | 78 | 15 | 19.4 |
| ESR-5050 | 50 | 50 | 354 | 70.8 | 190 | 240 | 128 | 95 | 85 | 30 | 98 | 22 | 19 |
| ESR-50100 | 50 | 100 | 708 | 70.8 | 240 | 340 | 128 | 95 | 85 | 30 | 98 | 22 | 22.7 |
| ESR-50150 | 50 | 150 | 1062 | 70.8 | 290 | 440 | 128 | 95 | 85 | 30 | 98 | 22 | 26.4 |
| ESR-50200 | 50 | 200 | 1416 | 70.8 | 340 | 540 | 128 | 95 | 85 | 30 | 98 | 22 | 30.1 |
| ESR-50250 | 50 | 250 | 1770 | 70.8 | 390 | 640 | 128 | 95 | 85 | 30 | 98 | 22 | 33.8 |
| ESR-10050 | 100 | 50 | 716 | 143.1 | 222 | 272 | 185 | 135 | 105 | 42 | 118 | 25 | 45 |
| ESR-100100 | 100 | 100 | 1431 | 143.1 | 272 | 372 | 185 | 135 | 105 | 42 | 118 | 25 | 54 |
| ESR-100150 | 100 | 150 | 2147 | 143.1 | 322 | 472 | 185 | 135 | 105 | 42 | 118 | 25 | 63 |
| ESR-100200 | 100 | 200 | 2862 | 143.1 | 372 | 572 | 185 | 135 | 105 | 42 | 118 | 25 | 72 |
| ESR-100250 | 100 | 250 | 3578 | 143.1 | 422 | 672 | 185 | 135 | v105 | 42 | 118 | 25 | 81 |